高級搜索 標王直達
石家莊包裝彩印  紙袋紙、杯紙  防油紙、防潮紙  其他包裝用紙  絲印輔助器材  絲印模具器材  ALC板批發  包裝機械  POF收縮膜  更多
 
 

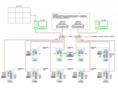
建筑設備自動化系統BAS

點擊圖片查看原圖
品牌: 陜西亞川
品牌: 陜西亞川
單價: 1000.00元/套
起訂: 1 套
供貨總量: 100 套
發貨期限: 自買家付款之日起 3 天內發貨
所在地: 陜西 西安市 雁塔區
有效期至: 長期有效
最后更新: 2022-09-19
瀏覽次數: 243
詢價
公司基本資料信息
 
 
產品詳細說明


廠家信息

了解更多的產品信息和功能參數,請致電我司。

聯系人:姚伊凡

 話:19929907883(微信同號)   

Q    Q:3343428525

 箱:3343428525@qq.com

一、系統簡介

樓宇自控BAS系統是一套結構簡單、有效、功能強大的產品,可完全滿足數據中心控制和系統集成的需要,使樓宇控制及管理變的更有效率。產品是按照嚴格的工業技術標準,由工廠進行設計、管理及生產*證全球范圍內所使用的都是新的產品技術。

樓宇控制系統主要包括冷熱源系統、空調新風系統、給排水系統、送排風系統、照明系統、供配電系統和電梯設備監測等。在整個樓宇范圍內,通過整套樓宇自動控制系統及其內置**化控制程序和預設時間程序,對所有機電設備進行集中管理和監控。在滿足控制要求的前提下,實現全面節能,用控制器的的控制功能代替日常運行維護的工作,大大減少日常的工作量,減少由于維護人員的工作失誤而造成的設備失控或設備損壞。

二、系統功能

1)通過中央監控站對設備進行全面的管理。

2)通過中央監控站設置相應的控制程序,如設備的啟停等,提高工作效率。

3)有效的能源管理,降低設備的能源消耗。

4)通過對設備的檢測,可以提高對設備進行有效的維護管理。

5)根據設備的運行時間,合理分配設備的運行,延長設備的壽命。

6)實現特殊場合的設備控制。

三、系統特點

1.結合IT技術,全功能Web平臺運做

2.Java語言開發,支持多種操作系統及數據庫

3.采用標準上位機資料共享接口

4.開放標準的集成平臺

5.**化的能源管理

6.精確可靠的控制實現

7.結構化及組織化管理

8.工藝的控制器

9.維護上的優異性

10.優良的品質*證

四、應用領域:

樓宇自控系統主要是對各類電源系統、照明系統的監控、給排水系統、空調系統以及電梯、自動扶梯等設備運行工況的監視和控制,是滿足人們對高水平的服務的基本條件。系統廣泛適用于綜合辦公大樓、酒店賓館、商業大樓、展覽場館、學校、醫院、交通建筑、廠房建筑、智能住宅小區等等。

智能樓宇自控系統產品

綠色建筑節能改造

地下綜合管廊機電設備監控系統

綠色農業自動化控制系統

智慧醫療設備自動化控制系統

 
更多»本企業其它產品

[ 供應搜索 ]  [ 加入收藏 ]  [ 告訴好友 ]  [ 打印本文 ]  [ 關閉窗口 ]