高級搜索 標王直達
石家莊包裝彩印  紙袋紙、杯紙  防油紙、防潮紙  其他包裝用紙  絲印輔助器材  絲印模具器材  ALC板批發  包裝機械  POF收縮膜  更多
 
 
發布信息當前位置: 首頁 » 供應 » 包裝機械 » 其他 »

進口施耐博格滑塊型號BMWR15A、施耐博格線性導軌滑塊

點擊圖片查看原圖
品牌: 施耐博格
單價: 面議
起訂:
供貨總量:
發貨期限: 自買家付款之日起 3 天內發貨
所在地: 上海 閔行區
有效期至: 長期有效
最后更新: 2015-05-29
瀏覽次數: 552
詢價
公司基本資料信息
 
 
產品詳細說明
 原裝進口施耐博格滑塊型號BMWR15A、施耐博格線性導軌滑塊種類齊全、大量庫存
產品規格:BMWR15A
施耐博格滑塊 BMWR 15-A
規格:15
精度等級:G0 G1 G2 G3
預緊等級:V1 V2 V3
施耐博格滑塊BMWR 15-A詳細參數
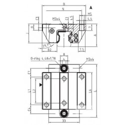
施耐博格滑塊圖紙
施耐博格滑塊型號BM WR 15-A
A 24
B 47
B2 16
C1 4
C3 4
C4 9.3
C7 9.05
J 20.2
L 56.6
L1 30
L2 26
L6 39.6
N 38
O 7
靜載荷C0(N) 16660
動載荷C100(N) 7650
靜轉矩M0Q(Nm) 154
動轉矩M0L(Nm) 124
MQ(Nm) 71
ML(Nm) 57
滑塊重量(kg) 0.2
 
更多»本企業其它產品

[ 供應搜索 ]  [ 加入收藏 ]  [ 告訴好友 ]  [ 打印本文 ]  [ 關閉窗口 ]